您好,欢迎光临乐清市春虹电子有限公司

乐清市春虹电子有限公司

源头厂家, 支持定制,贴心服务,共赢未来

全国联系热线: 0577-61316969
联系我们
乐清市春虹电子有限公司
咨询热线:18968817571
公司电话:0577-61316969
公司地址:浙江省乐清市虹桥镇模具中心二区D栋

带灯轻触开关选春虹

全国联系电话: 0577-61316969

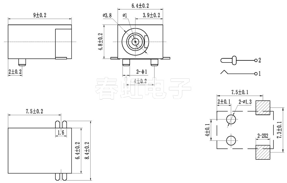
DC电源插座系列

型号:DC08

气候等级: -25°C至75°C

额定值: 30V DC,0.5A

接触电阻: 0.05Ω

耐电压: 500V AC

绝缘电阻: 100MΩ

动作力: 3N~14N

寿命: 0.5W times

盐雾试验: 3±1 hours


产品详情

DC08.jpg

创春虹品牌、争创一流团队、一流品质、一流企业

0577-61316969