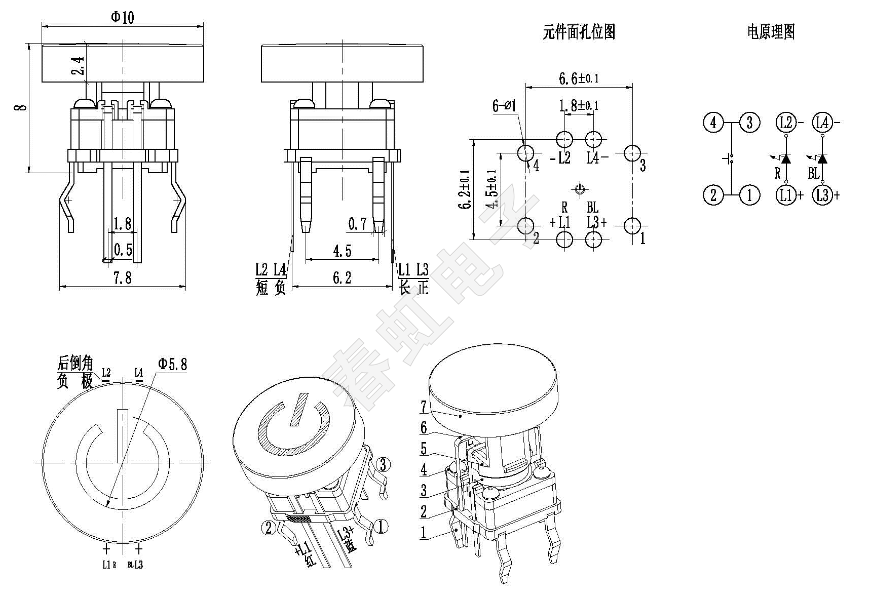
型号:KFCA0732-8H
气候等级: -25°C至75°C
额定值: 30V DC,30mA
接触电阻: ≤0.05Ω
耐电压: 250V AC
绝缘电阻: ≥100MΩ
动作力: 260gf±50gf/160gf±50gf
寿命: 10W times
盐雾试验: 12±1 hours
灯色:红蓝/红绿/红绿蓝/红绿白等
帽子工艺:本色/黑漆/银漆/镭雕任意符号
产品详情

上一篇:KFCA0716-7H
下一篇:KFCA0742-8H


